As a representative product of Yueqing Tongda Cable Power Plant that embodies the integration of core standardization and customization, the Gas Water Heater and Gas Stove Micro Switch switch is designed with the core principles of "stability, reliability, and scene compatibility." It incorporates 35 years of the company's switch manufacturing expertise, achieving multiple optimizations in electrical performance, protection levels, and user experience. The switch is widely applicable to scenarios such as smart home power distribution, industrial auxiliary equipment, and small medical instruments, making it a preferred circuit control component that balances universality with customization potential.
Micro Switch Introduction
The HK-04G-L switch focuses on practical requirements for key parameters, meeting basic control standards for various scenarios. The contacts are made of silver-tin alloy and processed with precision welding, with an initial contact resistance of ≤8mΩ. It can reliably carry 10A-16A AC current (rated voltage 250V AC), suitable for the power demands of most household and small industrial devices, effectively preventing issues of contact overheating or erosion caused by current overload.
The trigger and lifespan performance are equally reliable: it uses a rocker-type trigger structure, with a pressing travel of 1.3-1.6mm and operating force controlled within 1.5-3N. The activation feedback is clear and smooth, making everyday use unlikely to experience "unresponsive pressing." The mechanical lifespan reaches 80,000 pressing cycles, and the electrical lifespan exceeds 50,000 cycles. In high-frequency use devices such as refrigerators, small fans, and commercial printers, it can achieve stable operation for 3-5 years.
Environmental adaptability meets conventional scenario requirements: The product operates within a temperature range of -30°C to 80°C, capable of handling low temperatures in northern winters and heat dissipation conditions in summer; insulation resistance is ≥50MΩ (500VDC), and terminal voltage withstand reaches 800V AC, meeting the safety electrical standards for household and commercial use. Additionally, the casing is made of flame-retardant ABS material (compliant with UL94 V-1), reducing the safety risks caused by circuit short circuits.
Micro Switch Application
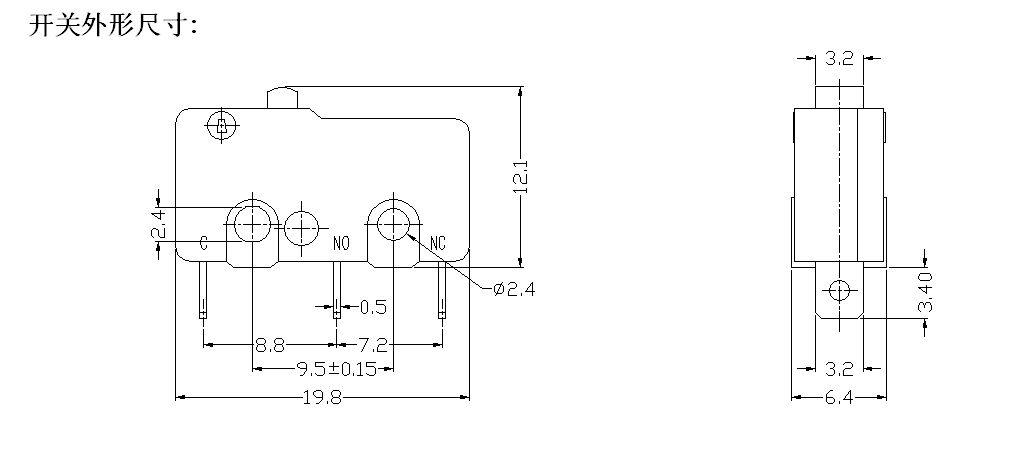
In smart home and household scenarios, the HK-04G-L, with its compact size (approximately 20×15×10mm, L×W×H), can be easily integrated into smart distribution boxes, wall-mounted sockets, and small appliance control panels. It has currently become a component used by multiple domestic smart home brands for functions such as lighting control and appliance power switching. One brand reported that the failure rate of products equipped with it is 40% lower than traditional switches.
In small-scale industrial and commercial scenarios, the product is suitable for power control of small conveyor equipment, commercial coffee machines, office printers, and other devices. By optimizing the terminal connection structure, it supports quick wiring installation, enhancing device assembly efficiency. Previously, a customized version for a commercial appliance manufacturer, through adjusting the terminal spacing, met the compact internal wiring requirements of their equipment, improving installation efficiency by 25%.
Micro Switch Specification
| Switch Technical Characteristics: | |||
| ITEM | Technical Parameter | Value | |
| 1 | Electrical Rating | 5(2)A 125V/250VAC 10(3)125V/250VAC | |
| 2 | Contact Resistance | ≤50mΩ Initial value | |
| 3 | Insulation Resistance | ≥100MΩ (500VDC) | |
| 4 |
Dielectric Voltage |
Between non-connected terminals |
500V/0.5mA/60S |
|
Between terminals and the metal frame |
1500V/0.5mA/60S | ||
| 5 | Electrical Life | ≥10000 cycles | |
| 6 | Mechanical Life | ≥100000 cycles | |
| 7 | Operating Temperature | -25~125℃ | |
| 8 | Operating Frequency |
Electrical :15 cycles Mechanical :60 cycles |
|
| 9 | Vibration Proof |
Vibration Frequency :10~55HZ; Amplitude :1.5mm; Three directions :1H |
|
| 10 |
Solder Ability : More than 80% of immersed part shall be covered with solder |
Soldering Temperature : 235±5℃ Immersing Time :2~3S |
|
| 11 | Solder Heat Resistance |
Dip Soldering :260±5℃ 5±1S Manual Soldering :300±5℃ 2~3S |
|
| 12 | Safety Approvals | UL、CSA、VDE、ENEC、CE | |
| 13 | Test Conditions |
Ambient Temperature :20±5℃ Relative Humidity :65±5%RH Air Pressure : 86~106KPa |
|
Tongda Wire Electric Micro USB Inline Power Switch Details

