As the benchmark model of Yueqing Tongda Wire Electric Factory's micro switch series, the Normally Open Electronic Component Lever Micro Switch features "high sensitivity, ultra-long lifespan, and multi-scenario adaptability" as its core advantages. Integrating the company's 35 years of switch manufacturing expertise, it has become a key control component in household appliances, automotive electronics, industrial automation, and other fields, thanks to its minimal contact gap and rapid action mechanism. Its performance and reliability have been certified by multiple authoritative organizations worldwide, securing its mainstream position in the niche market.
Micro Switch Introduction
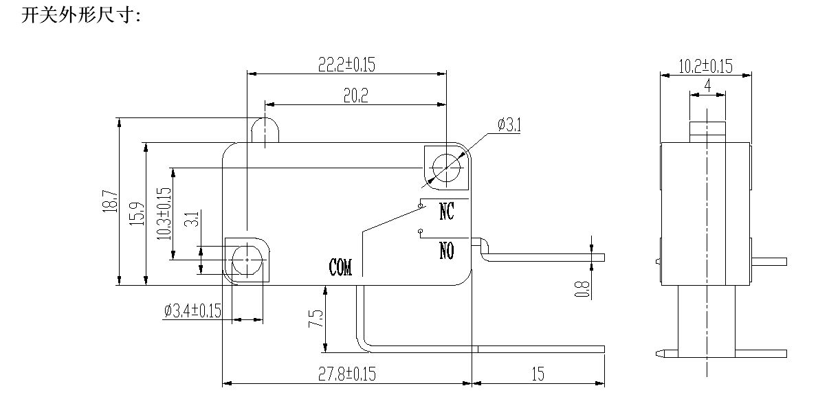
The HK-14 series offers highly flexible customization options to meet differentiated application requirements. Operating force can be customized (less than 5.0 N in the lever-free state, standard 30±15 gf), with an operating stroke range of 0.6–1.5 mm, suitable for different trigger force and displacement scenarios. Lever styles are customizable, including straight, bent, and roller levers, which can match various mechanical transmission structures. Contact forms cover the full range of SPDT (1NO 1NC), NO, and NC.
Micro Switch Parameter (Specification)
| Switch Technical Characteristics: | |||
| ITEM | Technical Parameter | Value | |
| 1 | Electrical Rating | 5(2)A/10A/16(3)A/21(8)A 250VAC | |
| 2 | Contact Resistance | ≤30mΩ Initial value | |
| 3 | Insulation Resistance | ≥100MΩ (500VDC) | |
| 4 |
Dielectric Voltage |
Between non-connected terminals |
1000V/0.5mA/60S |
|
Between terminals and the metal frame |
3000V/0.5mA/60S | ||
| 5 | Electrical Life | ≥50000 cycles | |
| 6 | Mechanical Life | ≥1000000 cycles | |
| 7 | Operating Temperature | -25~125℃ | |
| 8 | Operating Frequency |
electrical :15 cycles Mechanical :60 cycles |
|
| 9 | Vibration Proof |
Vibration Frequency : 10~55HZ; Amplitude :1.5mm; Three directions :1H |
|
| 10 |
Solder Ability : More than 80% of immersed part shall be covered with solder |
Soldering Temperature :235±5℃ Immersing Time :2~3S |
|
| 11 | Solder Heat Resistance |
Dip Soldering :260±5℃ 5±1S Manual Soldering : 300±5℃ 2~3S |
|
| 12 | Safety Approvals | UL、CSA、VDE、ENEC、TUV、CE、KC、CQC | |
| 13 | Test Conditions |
Ambient Temperature :20±5℃ Relative Humidity :65±5%RH Air Pressure :86~106KPa |
|
Micro Switch Feature and Application
Micro Switch Details
